【導讀】在確定如何最好地讓用戶同線電壓隔離的過程中,我們需要深思熟慮、權衡利弊。我們可以在電源中實現隔離,也可以在LED安裝過程中進行這種隔離。在一些低功耗設計中,LED物理隔離是一種常用方法,因為它允許使用成本更低的非隔離式電源。
使用LED作為光源的燈泡來替代螺紋旋入式白熾燈泡有很多好處。一般而言,我們將小號的LED串聯起來,使用一個電源將線電壓轉換為低電壓(通常為數十伏),這時的電流約為350到700mA。在確定如何最好地讓用戶同線電壓隔離的過程中,我們需要深思熟慮、權衡利弊。
我們可以在電源中實現隔離,也可以在LED安裝過程中進行這種隔離。在一些低功耗設計中,LED物理隔離是一種常用方法,因為它允許使用成本更低的非隔離式電源。圖1顯示了一種典型的LED燈替代方法。本舉例中的電源為非隔離式電源,其意味著實現用戶高壓保護的隔離被嵌入到了封裝而非電源中。很明顯,電源的空間極其小,從而對封裝構成了挑戰。另外,電源被隱埋到封裝內部,從而阻礙了散熱,影響了效率。

圖1 燈泡替換使電源空間變得極小
圖2顯示了一個通過120伏AC電源為LED供電的非隔離式電路。它包含一個為降壓功率級供電的整流橋。該降壓調節器是一個“倒置版”,其電源開關Q2處在回路中,而環流二極管D3連接至電源。在電源開關導通期間,通過一個源電阻對電流進行調節。盡管這樣做的效率相當高(80%-90%),但是這種電路存在幾個限制效率的缺點。導通時,電源開關必須承載全部輸出電流,而在電源開關關閉時,輸出電流流過環流二極管。另外,電流檢測電阻器R8和R10的電壓約為1伏。相比15到30伏的LED電壓,所有這三個壓降都很大,并且會對電源效率構成限制。更為重要的是,這些損耗會促進燈泡溫升。LED的發光能力會慢慢減小,而這種能力與LED的工作溫度密切相關。例如,70oC條件下,LED光輸出減少30%的時間超出了50000小時,而在80oC條件下,這一時間僅為30000小時。由于燈泡都安裝在一些“筒”中,而這些“筒”往往會阻礙散熱,不利于對流冷卻,因此發熱問題被進一步復雜化。

圖2 降壓調節器實現一個簡單的離線LED驅動器
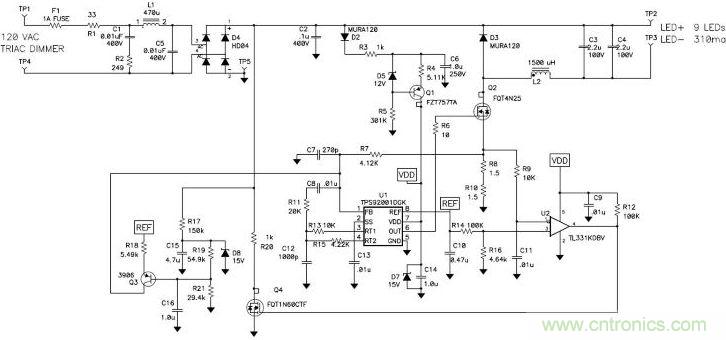
LED制造廠商通過將數支LED串聯在一塊公用基板上,制造出更高電壓的發光體。這些高壓發光體帶來亦或是更低的成本亦或是更高的電源效率。使用這些高壓產品,我們只需使用一組整流器和一個穩流電阻器,從而實現更低成本的電源方法。盡管這種電源可以產生相當好的功率因數,但效率很低,原因是輸入電壓的很大一部分都被用在了穩流電阻器上,導致30%-50%的LED功率損耗。但是,它可以用于一些小體積的低功耗應用中。然而,在一些高功耗應用中,低效率讓其無用武之地。圖3顯示了另一種替代方法:其使用一個升壓電源。該電路的大部分都與上述方法相同。但是,開關、二極管和電流檢測損耗要小得多,帶來高達90%到95%的效率。另外,該電路還擁有97%的良好功率因數。

圖3 利用升壓電源提高LED驅動器效率
圖4為圖1-2示意圖所描述電源的照片。即使這種電源產生的輸出功率大致相同,但也存在一些影響電源尺寸的明顯差異。升壓電源的電感器尺寸明顯更小,因為其蓄能要求更低。相比升壓電源,降壓電源有一個更大的電阻器。該電阻器為一個仿真負載電阻器(圖2所示R20),用于決定調光器何時開啟硅控整流器 (SCR)。需要這樣做的原因是,調光器在三端雙向可控硅開關組件旁邊有一個電磁干擾 (EMI) 抑制電容器,其在無負載情況下的電壓相對電源要高。這樣便擾亂了電源,導致出現不穩定調光。使用升壓電源時卻不需要這樣做,因為LED通過升壓電感器連接至輸入,為其提供足夠負載,因此上述問題便不是問題。圖中未顯示電路板的背面,但正如示意圖所示,降壓電源有更多低電平電路。所以,升壓電源擁有更低的功耗,這一點在諸如LED燈泡更換等空間限制型應用中極為重要。

圖4 升壓電源體積更小、效率更高
總之,高壓 LED 因其具有功耗低、溫升小的特點,可幫助增加旋入式 LED 燈泡的使用壽命。它是通過使用升壓電源替代降壓電源,從而提高電源效率來實現的。升壓電源的損耗約為降壓調節器的一半。另外,升壓電源的組件更少,功率因數更好,體積更小,并且利用三端雙向可控硅開關組件實現調光更容易。




