- 探析筆記本電腦電源適配器要求
- NCP1250/1 關鍵特性及功能解析
- 采用NCP1250設計65W適配器示例
相關閱讀:
【class1】:高能效電源的設計指南
http://www.empresariosaem.com/art/artinfo/id/80014501?source=lecture
【class3】:應用于臺式計算機、平板電視的高效能電源控制器方案
http://www.empresariosaem.com/art/artinfo/id/80014717?source=lecture
【class4】:高能效太陽能充電控制器設計實例
http://www.empresariosaem.com/art/artinfo/id/80014816?source=lecture
【class5】:高能效智能電表電源方案
http://www.empresariosaem.com/art/artinfo/id/80014979?source=lecture
筆記本電腦的應用非常廣泛,且市場規模持續快速增長。相應地,筆記本電腦電源適配器的市場也非常可觀。用戶往往要求高性能、小尺寸或低重量的筆記本,同時價格適宜。對于電源適配器設計人員而言,就要選擇適合的控制器,用于開發高能效、集成豐富保護特性、尺寸小巧的適配器。
安森美半導體的 NCP1250/NCP1251 固定頻率 6 引腳脈寬調制(PWM)反激控制器,極佳地滿足設計人員的需求,使他們能夠開發高性能、高功率密度的電源轉換器,用于筆記本/上網本電源適配器,并可用于消費類產品應用,如平板電視輔助電源、DVD 或機頂盒(STB)低功率開放式電源等。
一、筆記本電腦電源適配器要求
從大多數用戶的使用情況來看,筆記本電腦有相當的時間內會處在輕載或待機條件下。與提高 25%、50%、75%或 100%負載條件下的能效相比,降低極低負載條件甚至是待機條件下的能耗及提升能效更具挑戰性。這就要求電源控制器具備極佳的輕載或待機能耗性能。
此外,用于筆記本的 AC-DC 適配器也要求具備以下幾種保護特性:
???短路保護(SCP):必須能夠承受輸出持續短路而不會損壞。當故障消失時,適配器必須能夠從保護模式下恢復,并重新提供額定功率。
???過壓保護(OVP):在環路被破壞的情況下,如 光耦合器損壞或 TL431 分壓網絡受到影響,適配器必須立即停止工作,并在用戶重新啟動適配器前保持在此狀態。
???過溫保護(OTP):如果適配器的溫度超過某個溫度值,適配器就存在損壞的風險。為了避免出現這種情況,就需要使用熱傳感器來持續監測溫度,并在溫度超過設計人員設定的限制值的情況下,適配器就持續關閉。當用戶重新啟動電源且溫度下降時,適配器復位。
???過功率保護(OPP):對某些電源而言,重要的是在最壞條件下——如負載消耗的電流過大,最大輸出電流保持在受控狀態,而不會實際出現短路。
二、NCP1250/1 關鍵特性及功能解析
NCP1250/1 是采用極小的 6 引腳 TSOP 封裝的固定頻率 PWM 控制器。除了尺寸極小,還提供即便是其它更高端控制器可能都不具備的眾多優勢。在最簡單的應用(5 個功能引腳)中,NCP1250/1 非常合適于設計緊湊、保護功能減至最少的離線電源。由于還有第 6 個多功能引腳可用(見圖 1),還能用于更高水準應用,驅動筆記本或上網本的 AC-DC 適配器。而諸如非耗散性過功率保護等獨特功能,使NCP1250/1 成為高性能、高密度應用的極佳選擇。

圖 1:NCP1250 典型應用示例。
NCP1250/1 采用峰值電流模式控制工作,在轉換器提供額定功率時以固定頻率(65 kHz 或 100 7kHz)開關。NCP1250/1 具有頻率反走功能,當功率下降至額定值的約 20%時,頻率通常就呈線性下降至 26 kHz,這時負載變得更輕。當頻率下降完成時,器件就進入跳周期模式。這個功能使電源適配器在完整負載范圍下都能提供高能效,滿足注重能效性能特別是輸出負載較低時能效性能的設計人員的需求。值得一提的是,NCP1250/1 即使在頻率反走模式下工作時,仍然保持低頻率抖動,從而幫助自然地弱化電磁干擾(EMI)信號,即使是在轉換器并未提供滿額輸出功率時。
NCP1250/1 提供幾乎所有必要的保護功能,極佳地滿足上述 AC-DC 適配器要求。NCP1250 與NCP1251 的唯一區別是 NCP1251 在 Vcc 引腳上提供集成 OVP 功能,而 NCP1250 并不在 Vcc引腳上提供 OVP 功能。下面我們將具體討論 NCP1250/1 的各項保護功能及其應用。
[page]
1) 短路保護
NCP1250/1 通過監測引腳 4 上的電流感測信號來確保提供短路保護。如果監測到的最大峰值電流超過最大內部電流設定點(0.8 V/Rsense)時,內置的 100 ms 定時器就啟動。如果電流感測信號下降到最大內部電流設定點以下,定時器就復位。如果定時器的 100 ms 計時周期完成,表示故障已存在超過 100 ms,所有驅動脈沖立即停止,控制器的電流消耗降至約 1 mA。值得一提的是,NCP1250 和 NCP1251 均包含 A 版本和 B 版本,其中 A 為自動恢復版本,即 100 ms 后自動恢復,而 B 為完全閂鎖版本。
2) 過功率保護
在應用過功率保護方面,傳統技術屬于耗散型 OPP,因為在待機時 OPP 電路仍然工作,使適配器的輕載及待機能效性能受到影響。NCP1250/1 使用獨特的非耗散型 OPP 方案,僅要求使用 2 顆電阻,對輕載能效性能沒有影響。

圖 2:NCP1250/1 應用非耗散型 OPP,對輕載性能沒有影響。
3) 過壓保護
如圖 1 所示,電路中的光耦合器斷路或 TL431 分壓器網絡遭受嚴重漂移影響(或其某個電阻丟失或出現錯誤值)時,輸出電壓就可能超出規定的限制值,這就是過壓條件。大多數情況下,過壓條件可能對下行負載有害,適配器這時必須完全關斷。NCP1250/1 在 OPP 引腳上也集成了 3 V 參考比較器,這比較器可用于多種功能,如 OVP。如果這 OPP 引腳電壓連續四次超過 3 V,就使控制器 IC 閂鎖保護。
此外,如上所述,NCP1251 不同于 NCP1250 的是在Vcc 引腳上還提供集成 OVP 功能,一旦 Vcc 超過 25.5V 就閂鎖,使控制器受到保護。
4) 過溫保護
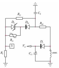
在眾多設計中,必須保護適配器免受熱失控(如適配器殼體內溫度超過特定值)影響。我們可以通過跟齊納二極管(D10)串聯一個負溫度系數(NTC)電阻(R14)來應用簡單的 OTP(如圖 3 所示)。當溫度升高時,NTC電阻開始下降,并升高引腳 3 的電壓。當引腳 3 的電壓電平達到 3 V 時,器件就簡單地閂鎖,并要求復位,然后重啟。

圖 3:利用 OPP 網絡簡單地應用 OTP。
三、采用NCP1250設計65W適配器示例
安森美半導體基于 NCP1250 控制器設計了 19 V/65 W 演示電路板。此設計中額定輸出電流為3.2 A,并提供過功率保護(3.8 A@100 Vac,4.1 A@265 Vac)、過溫保護及 Vcc 引腳上過壓保護,參見圖 4 (a)及(b)。

圖 4(a):基于 NCP1250 的 19 V/65 W 適配器電路圖

圖 4(b):基于 NCP1250 的 65 W 電源適配器演示電路板
有關此 65 W 演示電路板的具體設計,包括元件選擇及相關計算,參見參考資料 2。除了此65 W 演示板,安森美半導體還提供 12 V/3.3 A 輸出的 40 W 演示板,同樣提供過功率保護、過溫保護及 VCC引腳上過壓保護功能。
四、能效測試結果
65W演示電路板(含1.2m長線纜)在25%、50%、75%及100%等常見負載條件下均呈現出較高的能效(見表1),如在230Vrms條件下的平均能效高達88.67%。此外,這演示電路板在空載時的能效性能也極佳,僅消耗 40 mW 的功率。而由于頻率反走技術及跳周期模式的使用,輕載能效也極佳,如在230 Vrms條件下,輸出 0.5W、0.6W及0.7W功率時的輸入功率分別僅為0.74W、0.86W和0.98 W。

表 1:基于 NCP1250 的 65 W 演電源適配器演示板能效測試結果。
40 W 演示電路板在115 Vrms和230 Vrms條件下測得的平均能效分別為87.8%和87.2%(針對的是負載施加在電路板連接器的情況),100 Vrms和230 Vrms條件空載輸入功率分別為33 mW和75 mW,同樣提供高能效和低能耗。
五、小結:
NCP1250/1 集成了應用高密度電源適配器所需的關鍵特性,如非耗散型過功率保護、能夠應用過溫保護、小封裝(TSOP6)及 Vcc 引腳過壓保護(OVP)(僅 NCP1251)等。NCP1250/1 在提供高工作能效的同時,通過采用頻率反走技術及跳周期模式,在輕載或待機模式下的能耗極低,從而能夠在完整負載范圍內提供高能效。此外,NCP1250/1 采用頻率抖動技術,即使是在頻率反走期間,也將 EMI 降至最低,從而提供極佳的 EMI 性能。基于 NCP1250 的 65 W 適配器演示電路板測試證實明了這器件在完整負載范圍下的高能效性能。客戶利用 NCP1250/1 控制器可以開發出用于筆記本電腦或上網本的高性能適配器,也可用于開發高能效的平板電視輔助電源或低功率的機頂盒、DVD 開放式電源。






